BFDS106Hx 活塞式流量控制閥
安裝于送配水管道中,可預先設定該閥上面的先導閥在某一固定流量上,使主閥上游的壓力變化而不影響下游水量。
用途及特點
安裝于送配水管道中,可預先設定該閥上面的先導閥在某一固定流量上,使主閥上游的壓力變化而不影響下游水量。
結構及工作原理
由主閥和外控組件組成,主閥由閥體、閥板、閥蓋、閥座及活塞、活塞缸等構成。外控組件由過濾器、調節閥控制閥等組成。當下游流量低于設定流量時,與主閥出口處相連的控制閥開啟,主閥控制室的壓力水經過濾器、調節閥、控制閥流入主閥的出口,主閥板升高增大流量。當主閥出口流量高于設定值時,控制閥關閉。主閥進口端的一部分壓力溫水經調節閥、過濾器進入主閥控制室,引起控制室壓力增高主閥板下降,減少主閥下游流量。調節控制閥可以調節主閥下游的流量。

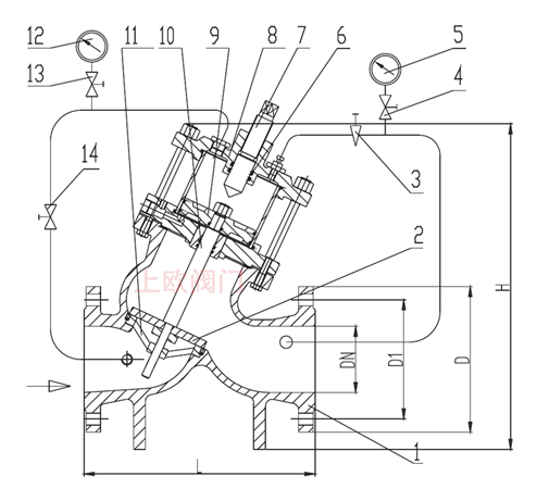
1、閥體 2、大閥板 3、針形調節閥4、球閥5、壓力表 6、密封圈7、調節絲桿8、缸蓋
9、活塞10、閥桿 11、閥座12、壓力表 13、球閥14、調節球閥
活塞式流量控制閥結構原理圖
相關新聞
|
||||||||||||||||||||||||
![]() |
||||||||||||||||||||||||
| ||||||||||||||||||||||||









