D341F4型蝸輪傳動襯氟法蘭蝶閥PN6~PN10
D341F4 型 蝸輪傳動襯氟法蘭蝶閥PN6~PN10適用于各種不同類型工業管道中液體和氣體(包括蒸汽)的輸送,特別是具有嚴重腐蝕性介質的使用場合,如:硫酸、氫氟酸、磷酸、氯氣、強堿、王水等具有強腐蝕性的介質。
產品說明
D341F4 型 蝸輪傳動襯氟法蘭蝶閥PN6~PN10適用于各種不同類型工業管道中液體和氣體(包括蒸汽)的輸送,特別是具有嚴重腐蝕性介質的使用場合,如:硫酸、氫氟酸、磷酸、氯氣、強堿、王水等具有強腐蝕性的介質。
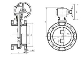
結構連接尺寸
DN | NPS (inch) | L | D | D1 | D2 | F | B | N-?D | W | D0 | H | WT(kg) |
| PN0.6MPa | ||||||||||||
| 40 | 1 1/2 | 106 | 130 | 100 | 80 | 3 | 16 | 4-?14 | 160 | 140 | 10 | |
| 50 | 2 | 108 | 140 | 110 | 90 | 3 | 16 | 4-?14 | 200 | 160 | 12 | |
| 65 | 2 1/2 | 112 | 160 | 130 | 110 | 3 | 16 | 4-?14 | 250 | 160 | 13 | |
| 80 | 3 | 114 | 185 | 150 | 125 | 3 | 18 | 4-?18 | 250 | 170 | 14 | |
| 100 | 4 | 127 | 205 | 170 | 145 | 3 | 18 | 4-?18 | 300 | 180 | 16 | |
| 125 | 5 | 140 | 235 | 200 | 175 | 3 | 20 | 8-?18 | 300 | 275 | 18 | |
| 150 | 6 | 140 | 260 | 225 | 200 | 3 | 20 | 8-?18 | 200 | 295 | 38 | |
| 200 | 8 | 152 | 315 | 280 | 255 | 3 | 22 | 8-?18 | 200 | 320 | 74 | |
| 250 | 10 | 250 | 370 | 335 | 310 | 3 | 24 | 12-?18 | 240 | 385 | 105 | |
| 300 | 12 | 270 | 435 | 375 | 362 | 4 | 24 | 12-?23 | 240 | 390 | 142 | |
| 350 | 14 | 290 | 485 | 445 | 412 | 4 | 26 | 12-?23 | 240 | 460 | 179 | |
| 400 | 16 | 310 | 535 | 495 | 462 | 4 | 28 | 16-?23 | 280 | 510 | 220 | |
| 450 | 18 | 330 | 590 | 550 | 518 | 4 | 28 | 16-?23 | 280 | 540 | 268 | |
| 500 | 20 | 350 | 640 | 600 | 568 | 4 | 30 | 16-?23 | 320 | 570 | 378 | |
| 600 | 24 | 390 | 755 | 705 | 670 | 5 | 30 | 20-?25 | 320 | 660 | 608 | |
| 700 | 28 | 430 | 860 | 810 | 775 | 5 | 32 | 24-?25 | 360 | 710 | 1050 | |
| 800 | 32 | 470 | 975 | 920 | 880 | 5 | 34 | 24-?30 | 360 | 780 | 1320 | |
| 900 | 36 | 510 | 1075 | 1020 | 980 | 5 | 36 | 24-?30 | 380 | 885 | 1795 | |
| 1000 | 40 | 550 | 1175 | 1120 | 1080 | 5 | 36 | 28-?30 | 400 | 990 | ||
| PN1.0MPa | ||||||||||||
| 40 | 1 1/2 | 106 | 145 | 110 | 85 | 3 | 18 | 4-?18 | 160 | 140 | 10 | |
| 50 | 2 | 108 | 160 | 125 | 100 | 3 | 20 | 4-?18 | 200 | 160 | 12 | |
| 65 | 2 1/2 | 112 | 180 | 145 | 120 | 3 | 20 | 4-?18 | 250 | 165 | 14 | |
| 80 | 3 | 114 | 195 | 160 | 135 | 3 | 22 | 4-?18 | 250 | 170 | 16 | |
| 100 | 4 | 127 | 215 | 180 | 155 | 3 | 22 | 8-?18 | 300 | 180 | 18 | |
| 125 | 5 | 140 | 245 | 210 | 185 | 3 | 24 | 8-?18 | 300 | 275 | 20 | |
| 150 | 6 | 140 | 280 | 240 | 210 | 3 | 24 | 8-?23 | 200 | 295 | 38 | |
| 200 | 8 | 152 | 335 | 295 | 265 | 3 | 26 | 8-?23 | 200 | 320 | 74 | |
| 250 | 10 | 250 | 390 | 350 | 320 | 3 | 28 | 12-?23 | 240 | 385 | 105 | |
| 300 | 12 | 270 | 440 | 400 | 368 | 4 | 28 | 12-?23 | 240 | 390 | 142 | |
| 350 | 14 | 290 | 500 | 460 | 428 | 4 | 30 | 16-?23 | 240 | 460 | 179 | |
| 400 | 16 | 310 | 565 | 515 | 482 | 4 | 32 | 16-?25 | 280 | 510 | 220 | |
| 450 | 18 | 330 | 615 | 565 | 532 | 4 | 32 | 20-?25 | 280 | 540 | 268 | |
| 500 | 20 | 350 | 380 | 620 | 585 | 4 | 34 | 20-?25 | 320 | 570 | 378 | |
| 600 | 24 | 390 | 780 | 725 | 685 | 5 | 36 | 20-?30 | 320 | 660 | 608 | |
| 700 | 28 | 430 | 895 | 840 | 800 | 5 | 40 | 20-?30 | 360 | 710 | 1050 | |
| 800 | 32 | 470 | 1010 | 950 | 905 | 5 | 44 | 24-?34 | 360 | 780 | 1320 | |
| 900 | 36 | 510 | 1110 | 1050 | 1005 | 5 | 46 | 28-?34 | 380 | 885 | 1795 | |
| 1000 | 40 | 550 | 1220 | 1160 | 1115 | 5 | 50 | 28-?34 | 400 | 990 | 1900 | |
尺寸圖

安裝注事事項
1、安裝前應核對蝶閥規格、壓力、溫度、耐腐性是否滿足使用要求。 應檢查各零部件是否損壞或松動。
2、本蝶閥可安裝在任意角度的管道上,應關閉安裝為宜;焊接管道法蘭時應將閥門密封口用板擋住以防止顆粒、雜物挫傷密封面,焊后取下 閥門,對閥門密封面及管道內腔進行清潔,然后再安裝固定閥門。
3、安裝時請注意閥門關閉狀態承壓方向。
4、安裝前應將密封面(兩端密封面、蝶板密封面、閥座密封面)徹底擦干凈,去掉灰塵和污物。
5、安裝前應空試蝶閥,啟閉應靈活,啟閉位置與指針指示位置相符合。
6、手動操作順時針為關,逆時針為開,指針指示到位后不準再加力啟閉閥門。
7、閥門做壓力試驗時,不準用單法蘭進行安裝試壓,必須采用雙法蘭安裝試壓。其試驗壓力應符合GB/T13927-92標準規定。
8、緊固螺栓時應對稱交替進行緊固,不準依次單獨緊固。
9、限位螺釘出廠前,已經調好,不準輕易調整。若配置驅動裝置為電動、氣動請閱配套驅動裝置說明書。
10、電動蝶閥出廠時已將控制機構的啟閉行程調好。為防止電源接通時方向搞錯,用戶在第一次接通電源前要先手動開啟至半開位置,再按點動開關,檢查指示盤方向與閥門開啟方向一致即可。
11、發現閥門啟閉失常應查明原因進行修理和排除,防止用加力方法開關閥門,造成閥門的損壞。
|
||||||||||||||||||||||||
![]() |
||||||||||||||||||||||||
| ||||||||||||||||||||||||









